
| FW1 | |
| Длина | Вес |
| Угол | 85 º |
| Высота | 3-3/4 ″ |
| Радиус | 1-1/4″ |
| Рекомендуемая толщина материала | 9 GA до 1/4″ |
| Зачистка Бар | 1-1/2" Бар |

| FW2 | |
| Длина | Вес |
| Угол | 85 º |
| Высота | 2-1/4″ |
| Радиус | 1-1/4″ |
| Зачистка Бар | 9 GA |
| Зачистка Бар | 2" Бар |

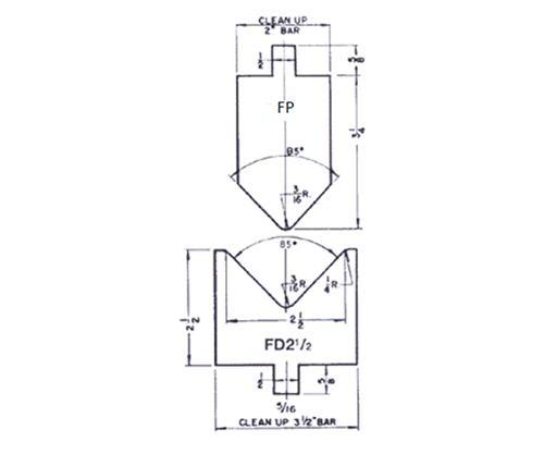
| FW3 | |
| Длина | Вес |
| Угол | 85 º |
| Высота | 3-1/4 ″ |
| Радиус | 3/16″ |
| Рекомендуемая толщина материала | 95/16″ |
| Зачистка | 2" Бар |

| FW4 | |
| Длина | Вес |
| Угол | 85 º |
| Высота | 3 -1/4″ |
| Радиус | 3″ |
| Рекомендуемая толщина материала | 3/8″ |
| Зачистка | 4" Бар |

| FW5 | |
| Длина | Вес |
| Угол | 85 º |
| Высота | 2 -3/4″ |
| Радиус | 1/4″ |
| Рекомендуемая толщина материала | 2-1/2″ |
| Зачистка | 4" Бар |